产品信息 product information
产品目录
Kompaktboy SE (55L切割单系统)星空官方网站登录入口
切割星空官方网站登录入口Kompaktboy SE

产品用途:
zehnder泽德kompaktboy SE系列单泵切割型星空官方网站登录入口,用于卫生间污水提升,可以同时连接马桶、洗衣机、淋浴、浴缸、等废水排放;

产品特点:
单泵切割型星空官方网站登录入口,HDPE材质的水箱容积55L,气动感应启动,小巧的尺寸,超高的扬程;

推荐产品:

改进:

更高的效率更低的能耗

稳定的气动液位控制

更高的扬程

耐腐蚀的高硬度合金切割刀

特点:
•55升容量的PE箱体
•可以配1.7KW的230V交流电机,也可以配1.7KW和3.2KW400V三相电源
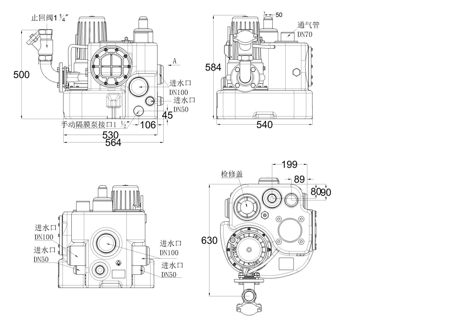
•采用DN50的压力排水管道,带球型止回阀1 1/4“

三个DN100侧向进水口,一个DN100/50上方进水口
•采用机械密封和中间带油腔的轴封


•额外提供 1½”的连接手动隔膜泵接口
•通气孔DN70(Φ75)
ZPS1控制器带液晶LCD数字显示:液位、维护,运行时间和故障报警等信息

3.5米长电缆同时带波纹管保护软管

供货范围:


箱体,泵90°接头,球型止回阀5/4“,通气管和管箍,气动液位控制ZPS1

型号

P1

[kW]

P2

[kW]

电压

[V]

电流

[A]

转速

[min-1]

Qmax

[m3/h]

Hmax

[m]

SE 71.1 W

2,2

1,7

230

10,5

2800

17

22

SE 71.1 D

2,1

1,7

400

3,7

2800

17

22

SE 71.2 D

2,1

1,7

400

3,7

2800

17

25

SE 71.3 D

3,9

3.2

400

6,5

2800

17

35

SE 71.4D

3,9

3‘2

400

6,5

2800

17

39

泽德污水提升机 Kompaktboy SE 尺寸图

泽德污水提升机 Kompaktboy SE性能曲钱

全国客服热线:400-028-6266

E-mail:zehnder@zehnder-pump.com

官网网址://m.lfpgr.com

移动端://m.m.lfpgr.com/

关注泽德微信
关注泽德微博

Copyright © 2014 星空·体育app   星空app安卓版 星空娱乐app下载安装 星空官方网站登录入口 m.lfpgr.com all rights reserved.

蜀ICP备13007897号-6

Baidu
map