产品信息 product information
产品目录
Kompaktboy Doppel SE (150L切割双系统)星空官方网站登录入口
 切割双泵星空官方网站登录入口Kompaktboy Doppel SE

产品用途:
kompaktboy Doppel双泵系列星空官方网站登录入口,用于各类商业场所的污水提升,可连接多个马桶、蹲便器等卫生间污水;

产品特点:
双泵切割星空官方网站登录入口,具有高扬程、能耗低,静音效果好等,最大扬程可以达到39米,双泵的切割系统轻易粉碎各种杂质,带LCD的气动液位控制系统!

推荐产品:

150升有效容积的PE箱体,

1、采用两台切割泵,切割部件采用特种高硬度耐腐蚀合金
2、采用机械密封和中间带油腔的轴封
3、采用DN50的压力排水管道,带球型止回阀5/4“
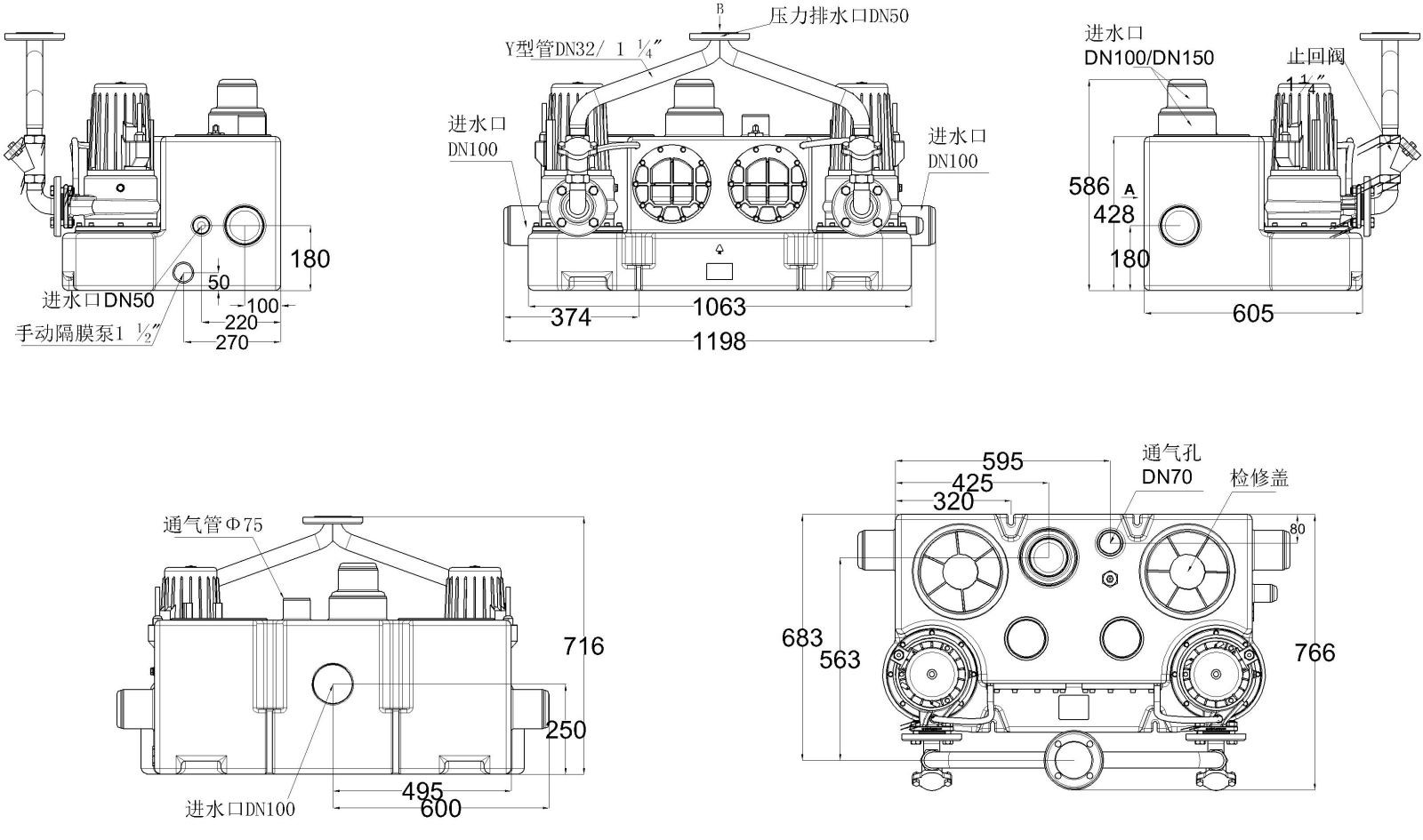
4、入口:侧面2×DN 100及1×DN50         后面1个DN100,     上面1个DN100/150
5、额外提供 1½”的连接手动隔膜泵接口
6、通气孔:DN70(Ø75mm)
7、3.5米连接电缆

供货范围:
PE塑料箱体,内装单向阀,Y型管,压力排水管DN50法兰片和柔性连接,带管箍的通气管连接、平稳的气动液位控制,紧凑的双泵提升机
ZPS2控制器带LCD液晶数字显示:液位、维护、运行时间和故障报警等信息

型号

P1

[kW]

P2

[kW]

电压

[V]

电流

[A]

转速

[min-1]

Qmax

[m3/h]

Hmax

[m]

SE 71.1 W

2,2

1,7

230

10,5

2800

17

22

SE 71.1 D

2,1

1,7

400

3,7

2800

17

22

SE 71.2 D

2,1

1,7

400

3,7

2800

17

25

SE 71.3 D

3,9

3.2

400

6,5

2800

17

35

SE 71.4D

3,9

3‘2

400

6,5

2800

17

39

 

泽德污水提升机Kompaktboy Doppel SE尺寸图

泽德污水提升机Kompaktboy Doppel SE性能曲线

全国客服热线:400-028-6266

E-mail:zehnder@zehnder-pump.com

官网网址://m.lfpgr.com

移动端://m.m.lfpgr.com/

关注泽德微信
关注泽德微博

Copyright © 2014 星空·体育app   星空app安卓版 星空娱乐app下载安装 星空官方网站登录入口 m.lfpgr.com all rights reserved.

蜀ICP备13007897号-6

Baidu
map